Dimensional chains
The application allows you to calculate dimensional chains for drawings and fragments in accordance with RD 50-635-87 “Guidelines. Chains are dimensional. Basic concepts. Methods for calculating linear and angular circuits.
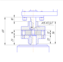
The elements of the dimensional chain can be affixed dimensions or segments. The application allows you to perform calculations for horizontal, vertical and oblique dimensions.
Calculations can be performed by the maximum-minimum method or the probabilistic method.
Deviations are calculated for nominal sizes in the range of 0…10000 mm (GOST 25346-89, GOST 25347-82).
For dimensional chains in which at least one nominal size does not fit into the range, only nominal sizes can be calculated.
Deviation calculations supported “A” “B” “C” “CD” “D” “E” “EF” “F” “FG” “G” “H” “JS” “K” “M” “N” “P » “R” “S” “T” “U” “V” “X” “Y” “Z” “ZA” “ZB” “ZC” with grades 0-18 for shafts and holes.
Requires for work: KOMPAS-Graph
